單排交叉滾柱式轉盤軸承
您現在的位置:首頁 > 產品中心 > 單排交叉滾柱式轉盤軸承
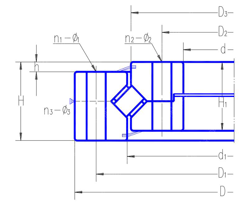
單排交叉滾柱式轉盤軸承(無齒式)
來 源:洛陽鵬豐軸承制造有限公司
起訂量:1件
描 述:單排交叉滾柱式回轉支承,由兩個座圈組成,結構緊湊、重量輕、制造精度高,裝配間隙小,對安裝精度要求高,滾柱為1:1交叉排列,能同時承受軸向力,傾翻力矩和較大的徑向力,被廣泛地用于起重運輸、工程機械和軍工產品上。
- 咨詢熱線:186-3799-0689
- 立即咨詢
詳細介紹 / DETAILS
單排交叉滾柱式回轉支承,由兩個座圈組成,結構緊湊、重量輕、制造精度高,裝配間隙小,對安裝精度要求高,滾柱為1:1交叉排列,能同時承受軸向力,傾翻力矩和較大的徑向力,被廣泛地用于起重運輸、工程機械和軍工產品上。
相關產品
-
大型推力球軸承

-
單排交叉滾柱式轉盤軸承(無齒式)

-
單排交叉滾柱式轉盤軸承(外齒式)

-
單排交叉滾柱式轉盤軸承(內齒式)

-
三排滾柱式轉盤軸承

-
單排交叉滾柱式轉盤軸承(外齒式)

-
130.45.2500 三排滾柱式轉盤軸承(無齒式)

-
130.45.2500 三排滾柱式轉盤軸承(無齒式)

-
134.50.4500回轉支承

-
三排圓柱滾子轉盤軸承

-
三排131.50.3550.03G1轉盤軸承

-
131.50.3550回轉支承

-
大型推力球軸承

-
134.50.3550.03回轉支承

-
131.50.3150.03回轉支承

-
111.40.2800.03交叉圓柱滾子轉盤軸承

-
產品和業務

-
132.50.3550.03三排滾柱式轉盤軸承(外齒式)

-
球柱聯合式轉盤軸承(外齒式)

-
單排交叉滾柱式轉盤軸承(無齒式)

-
雙排球式轉盤軸承

-
單排球式回轉支承(外齒式)

-
單排球式回轉支承(內齒式)

-
單排球式回轉支承(無齒式)

-
HJN2270單排交叉滾子轉盤軸承

-
HSW840四點接觸球回轉支承(內套法蘭)

-
011.25.2043四點接觸球轉盤軸承(薄壁軸承)

-
1797/2600交叉滾子軸承

-
010.70.3150剖分式回轉支承

-
130.32.2240.03三排圓柱滾子組合轉盤軸承

-
011.30.1450.03K四點接觸球轉盤軸承

-
131.32.585.03K三排圓柱滾子組合轉盤軸承

-
4122-SLW單排角接觸球軸承薄壁軸承

豫公網安備 41032302000306號